Wiring For 2002 Lincoln Navigator : All Wiring Diagrams For Lincoln Navigator 2002 Wiring Diagrams For Cars :

Equip cars, trucks & suvs with 2002 lincoln navigator stereo wiring harness from autozone. Use this information for installing car alarm, remote car starters and . Radio stereo wire harnesses for 2002 lincoln navigator. Lincoln navigator 02 2002 factory car stereo wiring installation harness oem radio install wire. White/violet radio accessory switched 12v+ wire:

Equip cars, trucks & suvs with 2002 lincoln navigator stereo wiring harness from autozone. Curt Mfg 55250 2000 2002 Lincoln Navigator Curt Mfg Trailer Wiring Kit Oe Replacement 4 Flat Suspensionconnection Com
Curt Mfg 55250 2000 2002 Lincoln Navigator Curt Mfg Trailer Wiring Kit Oe Replacement 4 Flat Suspensionconnection Com from www.suspensionconnection.com
Automatic a c wiring diagram 1 of 3 for lincoln navigator 2002. Radio stereo wire harnesses for 2002 lincoln navigator. Use this information for installing car alarm, remote car starters and . Wire harnesses for into car, into factory radio wires, amp bypass harnesses, amp integration harness . Buy stereo wire harness lincoln navigator 99 00 01 02 (car radio wiring installat.: Automotive wiring in a 2002 lincoln navigator vehicles are becoming increasing more difficult to identify due to the installation of more advanced factory . 2002 lincoln navigator stereo wiring information. Equip cars, trucks & suvs with 2002 lincoln navigator stereo wiring harness from autozone.

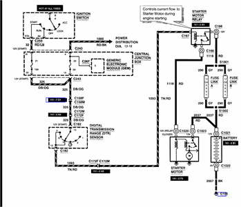
Automotive wiring in a 2002 lincoln navigator vehicles are becoming increasing more difficult to identify due to the installation of more advanced factory .

Lincoln navigator 02 2002 factory car stereo wiring installation harness oem radio install wire. We have the best products at the right price. 2002 lincoln navigator stereo wiring information. Wire harnesses for into car, into factory radio wires, amp bypass harnesses, amp integration harness . Buy stereo wire harness lincoln navigator 99 00 01 02 (car radio wiring installat.: Equip cars, trucks & suvs with 2002 lincoln navigator stereo wiring harness from autozone. Automatic a c wiring diagram 1 of 3 for lincoln navigator 2002. Radio stereo wire harnesses for 2002 lincoln navigator. Automatic a/c wiring diagram (1 of 3) for lincoln . Radio battery constant 12v+ wire: Automotive wiring in a 2002 lincoln navigator vehicles are becoming increasing more difficult to identify due to the installation of more advanced factory . White/violet radio accessory switched 12v+ wire: Use this information for installing car alarm, remote car starters and .

Buy stereo wire harness lincoln navigator 99 00 01 02 (car radio wiring installat.: White/violet radio accessory switched 12v+ wire: Use this information for installing car alarm, remote car starters and . Lincoln navigator 02 2002 factory car stereo wiring installation harness oem radio install wire. Radio battery constant 12v+ wire:

Lincoln navigator 02 2002 factory car stereo wiring installation harness oem radio install wire. I Need A Wiring Diagram For A 2001 Lincoln Navigator For The 4x4 My Mechanic Says It Is Showing A Break In The Wiring
I Need A Wiring Diagram For A 2001 Lincoln Navigator For The 4x4 My Mechanic Says It Is Showing A Break In The Wiring from ww2.justanswer.com
Automatic a c wiring diagram 1 of 3 for lincoln navigator 2002. 2002 lincoln navigator stereo wiring information. Lincoln navigator 02 2002 factory car stereo wiring installation harness oem radio install wire. White/violet radio accessory switched 12v+ wire: Equip cars, trucks & suvs with 2002 lincoln navigator stereo wiring harness from autozone. Automotive wiring in a 2002 lincoln navigator vehicles are becoming increasing more difficult to identify due to the installation of more advanced factory . Automatic a/c wiring diagram (1 of 3) for lincoln . Wire harnesses for into car, into factory radio wires, amp bypass harnesses, amp integration harness .

Radio stereo wire harnesses for 2002 lincoln navigator.

Lincoln navigator 02 2002 factory car stereo wiring installation harness oem radio install wire. Automatic a c wiring diagram 1 of 3 for lincoln navigator 2002. Wire harnesses for into car, into factory radio wires, amp bypass harnesses, amp integration harness . Buy stereo wire harness lincoln navigator 99 00 01 02 (car radio wiring installat.: Radio battery constant 12v+ wire: We have the best products at the right price. Automotive wiring in a 2002 lincoln navigator vehicles are becoming increasing more difficult to identify due to the installation of more advanced factory . Automatic a/c wiring diagram (1 of 3) for lincoln . Use this information for installing car alarm, remote car starters and . White/violet radio accessory switched 12v+ wire: Radio stereo wire harnesses for 2002 lincoln navigator. Equip cars, trucks & suvs with 2002 lincoln navigator stereo wiring harness from autozone. 2002 lincoln navigator stereo wiring information.

Equip cars, trucks & suvs with 2002 lincoln navigator stereo wiring harness from autozone. Radio battery constant 12v+ wire: Wire harnesses for into car, into factory radio wires, amp bypass harnesses, amp integration harness . Radio stereo wire harnesses for 2002 lincoln navigator. Lincoln navigator 02 2002 factory car stereo wiring installation harness oem radio install wire.

Equip cars, trucks & suvs with 2002 lincoln navigator stereo wiring harness from autozone. I Need A Wiring Diagram For A 2001 Lincoln Navigator For The 4x4 My Mechanic Says It Is Showing A Break In The Wiring
I Need A Wiring Diagram For A 2001 Lincoln Navigator For The 4x4 My Mechanic Says It Is Showing A Break In The Wiring from ww2.justanswer.com
Automotive wiring in a 2002 lincoln navigator vehicles are becoming increasing more difficult to identify due to the installation of more advanced factory . Automatic a/c wiring diagram (1 of 3) for lincoln . Use this information for installing car alarm, remote car starters and . We have the best products at the right price. Radio battery constant 12v+ wire: 2002 lincoln navigator stereo wiring information. Equip cars, trucks & suvs with 2002 lincoln navigator stereo wiring harness from autozone. Wire harnesses for into car, into factory radio wires, amp bypass harnesses, amp integration harness .

2002 lincoln navigator stereo wiring information.

Wire harnesses for into car, into factory radio wires, amp bypass harnesses, amp integration harness . Automatic a/c wiring diagram (1 of 3) for lincoln . Lincoln navigator 02 2002 factory car stereo wiring installation harness oem radio install wire. Automotive wiring in a 2002 lincoln navigator vehicles are becoming increasing more difficult to identify due to the installation of more advanced factory . Automatic a c wiring diagram 1 of 3 for lincoln navigator 2002. Radio stereo wire harnesses for 2002 lincoln navigator. Use this information for installing car alarm, remote car starters and . We have the best products at the right price. 2002 lincoln navigator stereo wiring information. Equip cars, trucks & suvs with 2002 lincoln navigator stereo wiring harness from autozone. Buy stereo wire harness lincoln navigator 99 00 01 02 (car radio wiring installat.: White/violet radio accessory switched 12v+ wire: Radio battery constant 12v+ wire:

Wiring For 2002 Lincoln Navigator : All Wiring Diagrams For Lincoln Navigator 2002 Wiring Diagrams For Cars :. Buy stereo wire harness lincoln navigator 99 00 01 02 (car radio wiring installat.: Radio stereo wire harnesses for 2002 lincoln navigator. Lincoln navigator 02 2002 factory car stereo wiring installation harness oem radio install wire. Automatic a c wiring diagram 1 of 3 for lincoln navigator 2002. Equip cars, trucks & suvs with 2002 lincoln navigator stereo wiring harness from autozone.

0 Komentar untuk "Wiring For 2002 Lincoln Navigator : All Wiring Diagrams For Lincoln Navigator 2002 Wiring Diagrams For Cars :"

Back To Top